questions about the OKI ML67Q5003 header board

Namely, those fancy buses on the bottom of it.

I bought [one of these things for a school project; spent today teaching myself assembly. Found a simple program that blinks the LED light; and I greatly expanded upon that demo, as well as one can with only a led light to show them that they’re one the right track.

Seems all like common sense, and I got it all working easily enough.

[this is a fine arm assembly tutorial for a and totally clueless complete novice like myself, if anyone is interested, and then once that starts to make sense, here’s another [helpful resource[/size]

Ok, so about the backside of this thing, I notice 4 buses, marked EXT1, EXT2, EXT3, and AEXT

Is there a straightforward way to write programs to interface with these? And if so, how do I do that, or where might I find some solid, comprehensible information on it?

It had just occurred to me that the reason the product picture on the olimex site is quite different (as is the price, dramatically) from the one on the sparkfun store; I’m gonna wager a guess that this is to attach to another part of a greater dev kit. Something I lack the means to purchase at the present moment.

Also, upon closer inspection, there are some contacts next to the dip switches… labeld ri, ocd, dsr, dtr, cts, rts, rxd, txd, gnd; seems like I could wire up something here, too; what would that be?

Same question for that about programmability.

So yeah, I’m kind of lost as to where to go next. I kind of planned on making some pretty simple hardware for it to control; by simple, I mean analog ish circuits on a bread board. Maybe a microchip even!

So, yeah; please help. At the very least, grab me by the shoulders and heave me in the right direction.](ARM ASSEMBLER PROGRAMMING; tutorial, resources, and examples)](Tonc: Whirlwind Tour of ARM Assembly)](http://www.sparkfun.com/commerce/product_info.php?products_id=349)

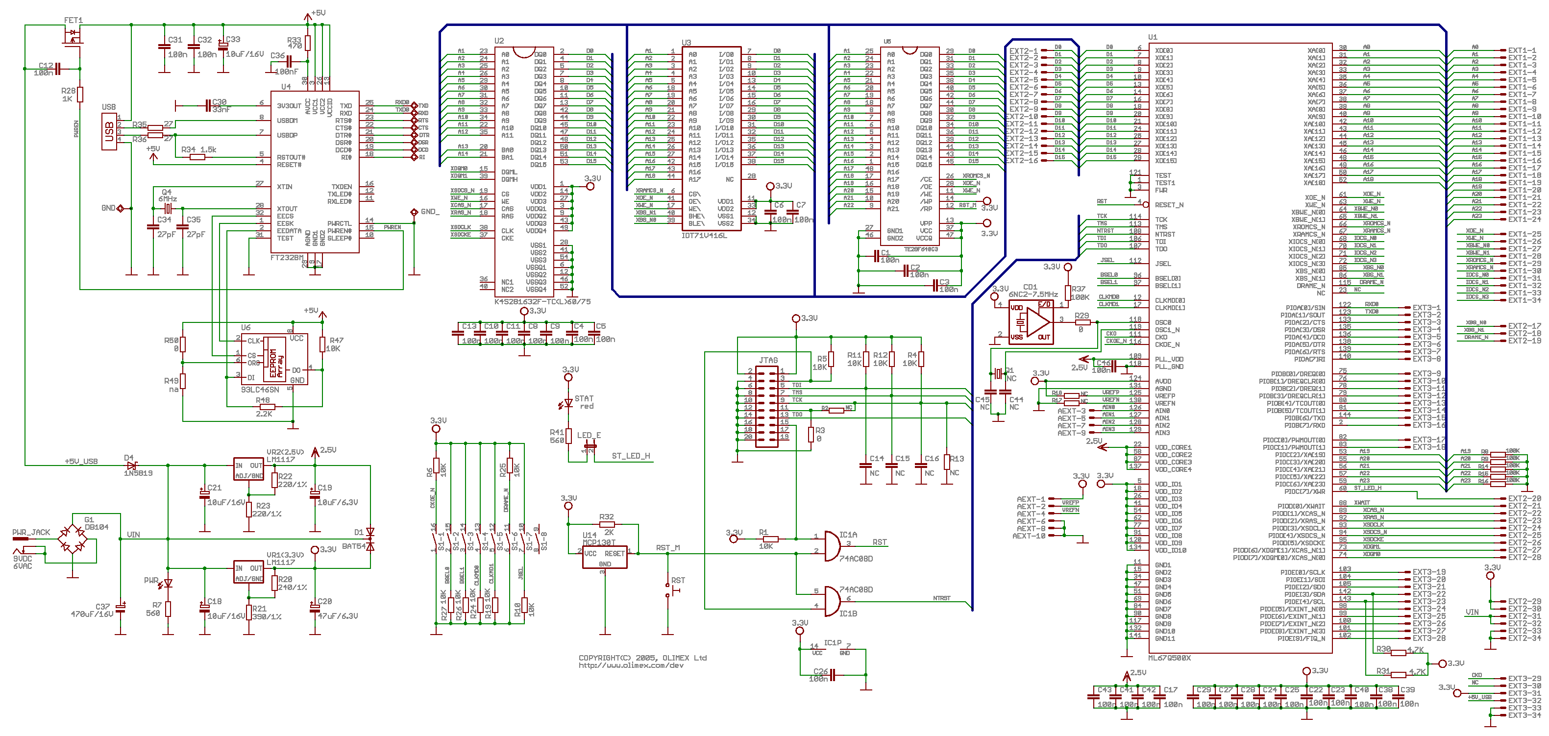
You can see what pins are available by checking the schematic:

http://www.olimex.com/dev/images/oki-h5003-sch.gif

The ports are labeled EXTx-x, for instance EXT1-1.

I am not familiar with this OKI processor to tell you how to deal with the GPIO ports, or the processor peripherals. I suggest downloading the processor datasheet from OKI.

Note that a good number of the IO pins are tied to the memory bus (NOR flash, SDRAM, SRAM). Great if you need the memory (such as running ucLinux), not so great if you want a lot of general purpose IO pins. The board has a ton of features you’re not exploiting :slight_smile:

Its been eons since dealing with OKI processors - they’re just not common on this side of the Pacific.

Edit: I just checked the price, that is fairly cheap for a dev board. SparkFun must be clearing them out since no one tried buying anyway. Besides, a processor that has a built in EDO DRAM controller is just dating its self :wink:

Edit 2: I did actually deal with this processor on the XYZ wireless platform - this brings back memories.